欢迎来到苏州萨米克精密机械有限公司:
自动化机械零部件综合供应商!
登陆
注册
中文
English
按品名或品牌检索产品
首页
产品信息
技术信息
公司介绍
咨询
新闻
首页
>
产品信息
>
直线运动零件
>
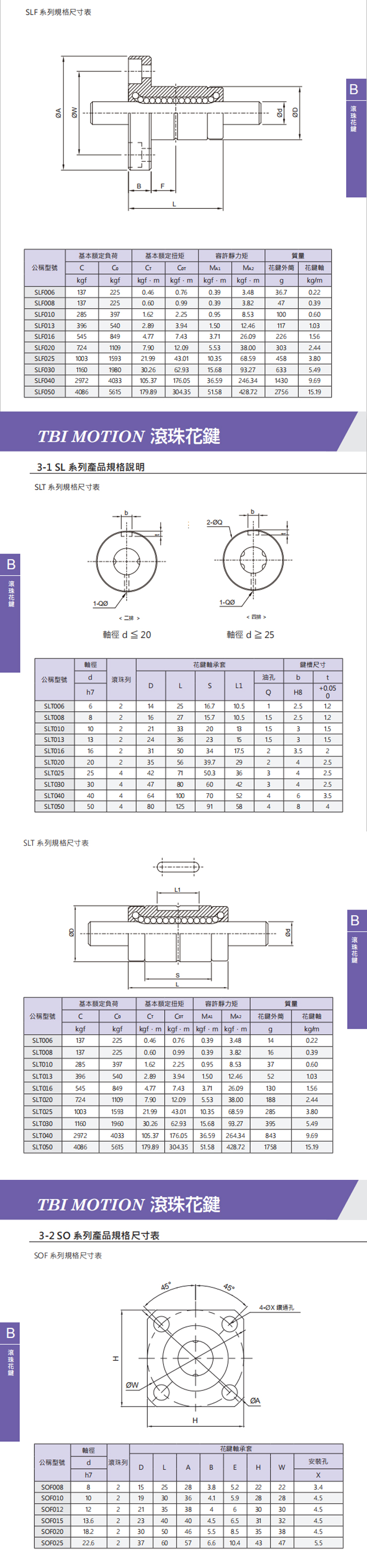
滚珠花键
PRODUCT INFO
产品信息
产品一览
品牌分类
SAMIKE
THK
TBI
滚珠花键SLT
产品详情
本类别中也有这种产品
THK滚珠花键
滚珠花键SLF
滚珠花键SOF
滚珠花键SOT
相关产品